Armairu industrialaren ateko sarrailaBanaketa armairuaren, komunikazioaren kabinetearen, kontrol-kutxaren eta beste ekipo batzuen babes-osagai nagusia da, barneko osagai elektrikoen segurtasunarekin eta sistemaren funtzionamendu egonkorrekin zuzenean lotuta dagoena.
Proiektu desberdinetarako entrega-epearen eta zehaztapenen eskakizun dibertsifikatuei erantzuteko, gure enpresak beti ditu stockan erabili ohi diren bost sarraila mota --Barra luzeko blokeoa, Panelaren blokeoa, Hagak kontrolatzeko blokeoa, Heldulekuaren blokeoa,Mihi birakaria blokeoa. Aldi berean, plano edo laginen arabera pertsonalizatutako sarraila ez-estandarra onartzen dugu, guztiz egokia dena metalezko banaketa-kutxa guztietarako.
Hegazkinaren blokeoa armairu industrialeko ateen sarraila mota ohikoenetako bat da, ederra eta mantentze erraza. Gure konpainiak AB301, AB302, AB303, AB402, AB403 serieko hegazkinaren blokeoa jarri zuen abian, diseinu bereiziaren egitura-indarrean, babes-errendimenduan eta funtzionamendu-sentimenduan, banaketa-kutxaren zehaztapen desberdinak bete ditzake, kontrol-armairuaren instalazio-baldintzak.
| Neurriak | Produktuaren zenbakia | |||||||
| L1 | L2 | L3 | B1 | B2 | Kromatu grisa | Spray pintura grisa | Hauts beltza estalita | Pisua (g) |
| 147 | 117 | 72 | 33 | 26.5 | AB301-1-1.2 | AB301-1-1.8 | AB301 | 370 |
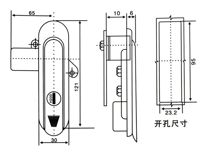
| 120.5 | 95.5 | 65 | 30 | 23.5 | AB301-2-1.2 | AB301-2-1.8 | AB302 | 290 |
| 87.5 | 62.5 | 65 | 28.5 | 23.5 | AB301-3-1.2 | AB301-3-1.8 | AB303 | 215 |
Material nagusia: zink aleazioa.
Gainazalaren tratamendua: kromo distiratsua, matea, beltza.
Funtzioa eta erabilera: Konturatu ezkerreko eta eskuineko atearen irekiera, erabiltzeko erraza, zigilatzeko eta iragazgaitzaren funtzioarekin.
Material nagusia: zink aleazioa.
Gainazalaren tratamendua: kromo distiratsua, matea, beltza.
Funtzioa eta erabilera: Konturatu ezkerreko eta eskuineko atearen irekiera, erabiltzeko erraza, zigilatzeko eta iragazgaitzaren funtzioarekin.
Materiala: zink aleazioko blokeoaren gorputza, ardatz birakaria, altzairu galbanizatutako torlojua, presio plaka.
Gainazalaren tratamendua: nano spray zilar grisa.
Egituraren deskribapena: biratu 90 gradu irekitzeko edo blokeatzeko.
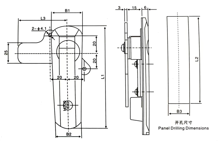
| EREDUA | L1 | L2 | L3 | B1 | B2 | B3 |
| BERRIA AB402-A | 123 | 95.5 | 65 | 36.5 | 30 | 23.5 |
| BERRIA AB403-A | 91 | 62.5 | 65 | 33 | 28.5 | 23.5 |
| BERRIA AB401-A | 151 | 117 | 72 | 36 | 30 | 26.5 |
